凯时
咨询热线:0379-80877123 400-966-9300
首页
产品中心
自创豆制品
经典面制品
组合礼包
源味醒觉系列
其他
视频中心
媒体报道
走进凯时
凯时简介
凯时新闻
生长历程
资质认证
品牌故事
商城/相助
线上商城
相助
加入凯时
加入我们
自媒体
实时车间
车间实况
您目今的位置:
首页
>
公司先容
>
资质认证
凯时简介
凯时新闻
生长历程
资质认证
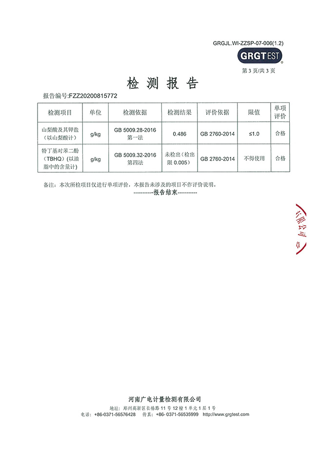
老式大辣片外检
宣布时间:2021-03-02
作者:
泉源:
凯时
点击:4744
上一篇:食物清静治理系统认证证书
下一篇:营业执照
分享到:
0
用手机看
拍下二维码,信息随身看
试试用微信扫一扫,
在你手机上继续寓目此页面。
友情链接:
凯时官方微博阿里巴巴凯时官方旗舰店凯时食物天猫旗舰店淘宝凯时食物工厂自营店凯时(Genji food)京东自营旗舰店凯时食物有赞自营店
0379-80877123
400-966-9300
电话
短信
地图
刷新
网站地图